[기고] 로드 덤프 이벤트로부터 차량용 프로토타입을 보호하는 과전압 보호 회로 사용하기
2025-08-08 신윤오 기자, yoshin@elec4.co.kr
이 글에서는 프로토타입 제작 중 우발적인 과전압/역전압 상황을 방지하기 위한 로드 덤프(load dump) 보호 회로의 사용 방법에 대해 설명한다. 이 간단한 회로는 회로에 잘못된 전원공급장치가 적용될 때, 순간적인 부주의로 인해 나중에 수 시간을 들여 작업을 다시 해야 하는 사태를 피할 수 있게 해준다.

머리말?
FAE(field applications engineer)로서 누릴 수 있는 좋은 점은 다양한 회로에서 동시에 작업할 수 있다는 것이다. 물론, 신경을 써야 하는 부분도 있다. 여러 회로를 다루다 보면, 한 회로에서 다른 회로로 옮겨갈 때 복잡한 배선에 연결된 프로브를 전선으로부터 분리하면서 문제가 발생하기도 하는데, 관련된 와이어의 수가 많아질수록 무언가 잘못될 수 있는 가능성은 기하급수적으로 증가한다.
이는 종종 간과되고 있는 가장 기본적인 사항이다. 모든 것이 제대로 되어 있는지 확인하기 위해 프로브와 리드를 점검하고 또 재점검하지만, 벤치 전원공급장치의 전압이 제대로 조정되어 있지 않다면 치명적인 손상이 일어날 수 있고, 이는 몇 시간을 들여야 하는 재작업을 초래할 수 있다.
이 글에서 설명하는 회로는 이러한 상황에서 도움이 된다. FAE가 되면 수많은 평가 보드 더미 속에 파묻혀 일하게 될 수도 있는데, 이들 보드는 저마다 다르게 변경되어 있으며, 그 중에 어떤 것들은 개인 용도로 재사용될 수도 있다.?
이 회로는 역전압/과전압 보호 부품인 MAX16126을 기반으로 구성되어 있으며, 이후에 연결된 부품들이 부적절한 전압으로부터 보호될 수 있도록 설계된다. 이러한 이벤트는 자동차 배터리가 잘못 연결되거나, 배터리에서 발전기(alternator)가 분리되어 로드 덤프 이벤트가 발생하면서 전자 장치에 높은 전압이 가해질 때 발생한다. MAX16126EVKIT 평가 키트를 수정하면 벤치에서도 매우 유용하게 사용할 수 있다.?
회로?
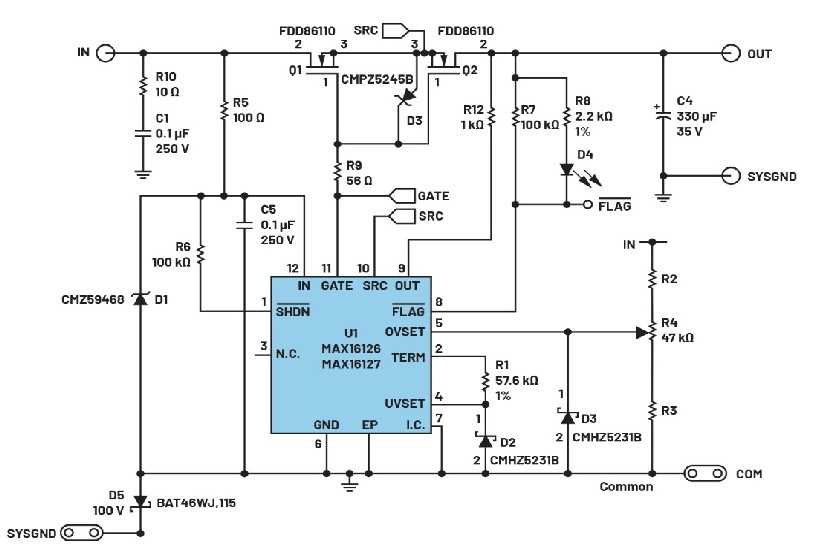
그림 1에서 볼 수 있듯이, MAX16126은 자동차 회로의 연결된 전자장치들을 과전압/역전압 문제로부터 보호하도록 설계된 로드 덤프 보호 컨트롤러이다.
이 회로는 두 개의 백투백(back-to-back) N-채널 MOSFET을 구동하는 충전 펌프를 내장하고 있어 입력 전압이 특정 범위 내에 있을 경우 낮은 손실의 순방향 경로를 제공하며, 외부 저항을 사용해 설정된다. 만약 입력 전압이 너무 높거나 낮으면 MOSFET의 게이트에 대한 전하 공급이 제거되고 경로가 차단되어, 부하에 대한 전원공급이 끊어진다.?
MAX16127은 MAX16126과 유사하지만, 과전압이 발생할 경우 MOSFET을 제어하여 부하 전반에 걸쳐 전압을 유지한다. 만약 입력에 역전압이 발생하면, MAX16126의 게이트 핀과 SRC 핀들 사이에 있는 내부 1MΩ 저항이 MOSFET Q1과 Q2를 꺼서 음의 전압이 출력에 도달하지 못하게 한다. 이 두 MOSFET은 서로 반대 방향으로 연결되어 바디 다이오드가 전류를 전달하지 못하게 한다.
저전압(undervoltage)핀인 UVSET은 회로의 최소 트립 임계값을 설정하는 데 사용되며, 과전압(overvoltage) 핀인 OVSET은 최대 트립 임계값을 설정하는 데 사용된다. 내부 스위치를 통해 입력 핀에 연결되는 TERM 핀도 있으며, 디바이스가 셧다운 모드일 때는 스위치가 열려 있으므로 UVSET 핀과 OVSET 핀에 연결된 분압 저항 회로가 입력 전원으로부터 전류를 소모하지 않도록 한다.
이 설계에서는 UVSET 핀이 TERM 핀에 연결되어 있어 디바이스에 최소 동작 전압인 3V가 인가되면 MOSFET이 켜진다. OVSET 핀은 이 회로의 과전압 트립 임계값을 변경하도록 조정되는 가변저항(potentiometer)에 연결된다. 트립 임계값을 최대 전압으로 설정하려면 가변저항을 최소값으로 조정해야 하며, 최소 트립 임계값의 경우 가변저항도 최대값으로 조정해야 한다.?
OVSET 핀이 1.225V 이상으로 상승하면 IC가 MOSFET을 끈다. 과전압 클램핑 범위는 5V와 30V 사이로 제한되어야 하며, 상한 및 하한 임계값을 설정하기 위해 저항을 가변 저항 위아래에 삽입해야 한다. 이러한 핀의 전압을 5.1V 이하로 제한하기 위해 UVSET 및 OVSET 핀에 제너(Zener) 다이오드가 연결되어 있다.
47kΩ 저항을 사용한다고 가정하면 그림 1의 상한 및 하한 저항 값을 계산할 수 있다.?
트립 임계값을 30V로 맞추려면 공식 1을 사용한다.

트립 임계값을 5V로 맞추려면 공식 2를 사용한다.
.jpg)
공식 1과 공식 2를 등치시키면 공식 3을 얻을 수 있다.
.jpg)
이를 정리하면 공식 4와 공식 5를 통해 아래와 같이 저항 값을 구할 수 있다. ?


위에서 계산 저항값과 유사한 저항을 사용하여 R3 = 10kΩ, R2 = 180kΩ으로 설정한다. 이렇게 하면 상한 29V, 하한 5.09V를 얻을 수 있는데, 이는 30V 벤치 전원공급장치에 완벽하게 적합하다.
테스트
그림 2는 프로토타입 PCB를 나타낸 것이다. 트립 임계 전압은 12.0V로 조정되었고 회로는 테스트되었다.
?
하한 임계값(UVSET)은 5.06V로 측정되었고, 상한 임계값(OVSET)은 28.5V로 측정되었다. 10V 입력과 1A 부하에서 입력과 출력 간의 전압은 19mV로 측정되었으며, 이는 MOSFET 데이터 시트상의 온(Rdson) 저항인 약 10mΩ과 일치한다.
그림 3은 10V 스텝을 인가했을 때 회로의 응답을 보여준다. 노란색 트레이스와 파란색 트레이스는 각각 입력 전압과 출력 전압을 나타낸다. 트립 임계값이 12V로 설정되었으므로 입력 전압은 전압 강하가 거의 없이 출력으로 전달된다.?
?
이번에는 입력 전압을 15V로 올려 다시 테스트했다. 그림 4는 출력 전압이 0V로 유지되는 것을 보여준다.
?
그림 5는 입력 전압의 극성을 반대로 하고 입력에 ?7V 스텝을 인가했을 때의 결과를 보여준다.
?
그림 6은 음의 입력 전압을 ?15V로 올려 다시 회로의 입력에 인가했을 때의 결과이다.
?
입력 전압이 음의 전압으로 내려갈 때 MOSFET의 게이트 핀을 프로브로 측정할 경우에는 주의가 필요하다. 그림 1을 참조하면, Q1의 보디 다이오드는 두 소스 핀을 음의 전압인 VIN 쪽으로 끌어당긴다. MAX16126의 GATE와 SRC 연결 사이에는 내부에 1MΩ 저항이 있어 접지 기준 1MΩ 오실로스코프 프로브를 MOSFET의 게이트 핀에 연결하면, 오실로스코프 프로브가 0V로 당기는 1MΩ 풀업 저항처럼 작동하게 된다.?
입력 전압이 음으로 내려가면 0V, 게이트 전압, Q2의 소스 사이에 저항 분배 회로가 형성되는데, 이는 Q1의 보디 다이오드에 의해 음의 전압으로 내려간다. 입력 전압이 Q2 턴온(turn on) 전압의 두 배보다 낮아지면, 이 MOSFET이 켜지고 출력이 음의 전압으로 변하기 시작한다. 더 높은 임피던스의 오실로스코프 프로브를 사용하면 이 문제를 해결할 수 있다.
결론?
MAX16126 평가 키트를 간단히 수정하면, 벤치에서 회로를 테스트할 때 사용자의 순간적인 부주의로 인해 유발할 수 있는 로드 덤프 이벤트로부터 신뢰할 수 있는 보호 기능을 구현할 수 있다. 평가 키트에 포함된 부품을 사용하면, 이 회로는 최대 50A의 부하 전류로 90V 정격의 저손실 보호 회로를 제공한다.?
?저자 소개?
사이먼 브램블(Simon Bramble)은 1991년 영국 브루넬 대학교에서 전기 및 전자공학 학위를 취득했으며, 아날로그 전자공학 및 전력 전자공학을 전문으로 하고 있다. 그는 아날로그 전자 분야에서 경력을 쌓아왔으며, 맥심(Maxim)과 리니어 테크놀러지(Linear Technology, 현재는 두 회사 모두 아나로그디바이스의 일부)에서 근무했다.
?

머리말?
FAE(field applications engineer)로서 누릴 수 있는 좋은 점은 다양한 회로에서 동시에 작업할 수 있다는 것이다. 물론, 신경을 써야 하는 부분도 있다. 여러 회로를 다루다 보면, 한 회로에서 다른 회로로 옮겨갈 때 복잡한 배선에 연결된 프로브를 전선으로부터 분리하면서 문제가 발생하기도 하는데, 관련된 와이어의 수가 많아질수록 무언가 잘못될 수 있는 가능성은 기하급수적으로 증가한다.
이는 종종 간과되고 있는 가장 기본적인 사항이다. 모든 것이 제대로 되어 있는지 확인하기 위해 프로브와 리드를 점검하고 또 재점검하지만, 벤치 전원공급장치의 전압이 제대로 조정되어 있지 않다면 치명적인 손상이 일어날 수 있고, 이는 몇 시간을 들여야 하는 재작업을 초래할 수 있다.
이 글에서 설명하는 회로는 이러한 상황에서 도움이 된다. FAE가 되면 수많은 평가 보드 더미 속에 파묻혀 일하게 될 수도 있는데, 이들 보드는 저마다 다르게 변경되어 있으며, 그 중에 어떤 것들은 개인 용도로 재사용될 수도 있다.?
이 회로는 역전압/과전압 보호 부품인 MAX16126을 기반으로 구성되어 있으며, 이후에 연결된 부품들이 부적절한 전압으로부터 보호될 수 있도록 설계된다. 이러한 이벤트는 자동차 배터리가 잘못 연결되거나, 배터리에서 발전기(alternator)가 분리되어 로드 덤프 이벤트가 발생하면서 전자 장치에 높은 전압이 가해질 때 발생한다. MAX16126EVKIT 평가 키트를 수정하면 벤치에서도 매우 유용하게 사용할 수 있다.?
회로?
그림 1에서 볼 수 있듯이, MAX16126은 자동차 회로의 연결된 전자장치들을 과전압/역전압 문제로부터 보호하도록 설계된 로드 덤프 보호 컨트롤러이다.
그림 1. 과전압/역전압 보호 회로?
이 회로는 두 개의 백투백(back-to-back) N-채널 MOSFET을 구동하는 충전 펌프를 내장하고 있어 입력 전압이 특정 범위 내에 있을 경우 낮은 손실의 순방향 경로를 제공하며, 외부 저항을 사용해 설정된다. 만약 입력 전압이 너무 높거나 낮으면 MOSFET의 게이트에 대한 전하 공급이 제거되고 경로가 차단되어, 부하에 대한 전원공급이 끊어진다.?
MAX16127은 MAX16126과 유사하지만, 과전압이 발생할 경우 MOSFET을 제어하여 부하 전반에 걸쳐 전압을 유지한다. 만약 입력에 역전압이 발생하면, MAX16126의 게이트 핀과 SRC 핀들 사이에 있는 내부 1MΩ 저항이 MOSFET Q1과 Q2를 꺼서 음의 전압이 출력에 도달하지 못하게 한다. 이 두 MOSFET은 서로 반대 방향으로 연결되어 바디 다이오드가 전류를 전달하지 못하게 한다.
저전압(undervoltage)핀인 UVSET은 회로의 최소 트립 임계값을 설정하는 데 사용되며, 과전압(overvoltage) 핀인 OVSET은 최대 트립 임계값을 설정하는 데 사용된다. 내부 스위치를 통해 입력 핀에 연결되는 TERM 핀도 있으며, 디바이스가 셧다운 모드일 때는 스위치가 열려 있으므로 UVSET 핀과 OVSET 핀에 연결된 분압 저항 회로가 입력 전원으로부터 전류를 소모하지 않도록 한다.
이 설계에서는 UVSET 핀이 TERM 핀에 연결되어 있어 디바이스에 최소 동작 전압인 3V가 인가되면 MOSFET이 켜진다. OVSET 핀은 이 회로의 과전압 트립 임계값을 변경하도록 조정되는 가변저항(potentiometer)에 연결된다. 트립 임계값을 최대 전압으로 설정하려면 가변저항을 최소값으로 조정해야 하며, 최소 트립 임계값의 경우 가변저항도 최대값으로 조정해야 한다.?
OVSET 핀이 1.225V 이상으로 상승하면 IC가 MOSFET을 끈다. 과전압 클램핑 범위는 5V와 30V 사이로 제한되어야 하며, 상한 및 하한 임계값을 설정하기 위해 저항을 가변 저항 위아래에 삽입해야 한다. 이러한 핀의 전압을 5.1V 이하로 제한하기 위해 UVSET 및 OVSET 핀에 제너(Zener) 다이오드가 연결되어 있다.
47kΩ 저항을 사용한다고 가정하면 그림 1의 상한 및 하한 저항 값을 계산할 수 있다.?
트립 임계값을 30V로 맞추려면 공식 1을 사용한다.

트립 임계값을 5V로 맞추려면 공식 2를 사용한다.
.jpg)
공식 1과 공식 2를 등치시키면 공식 3을 얻을 수 있다.
.jpg)
이를 정리하면 공식 4와 공식 5를 통해 아래와 같이 저항 값을 구할 수 있다. ?


위에서 계산 저항값과 유사한 저항을 사용하여 R3 = 10kΩ, R2 = 180kΩ으로 설정한다. 이렇게 하면 상한 29V, 하한 5.09V를 얻을 수 있는데, 이는 30V 벤치 전원공급장치에 완벽하게 적합하다.
테스트
그림 2는 프로토타입 PCB를 나타낸 것이다. 트립 임계 전압은 12.0V로 조정되었고 회로는 테스트되었다.
?
.jpg)
그림 2. 수정된 평가 키트
하한 임계값(UVSET)은 5.06V로 측정되었고, 상한 임계값(OVSET)은 28.5V로 측정되었다. 10V 입력과 1A 부하에서 입력과 출력 간의 전압은 19mV로 측정되었으며, 이는 MOSFET 데이터 시트상의 온(Rdson) 저항인 약 10mΩ과 일치한다.
그림 3은 10V 스텝을 인가했을 때 회로의 응답을 보여준다. 노란색 트레이스와 파란색 트레이스는 각각 입력 전압과 출력 전압을 나타낸다. 트립 임계값이 12V로 설정되었으므로 입력 전압은 전압 강하가 거의 없이 출력으로 전달된다.?
?
.jpg)
그림 3. MAX16126 입력에 10V 스텝 인가
이번에는 입력 전압을 15V로 올려 다시 테스트했다. 그림 4는 출력 전압이 0V로 유지되는 것을 보여준다.
?
.jpg)
그림 4. MAX16126 입력에 15V 스텝 인가
그림 5는 입력 전압의 극성을 반대로 하고 입력에 ?7V 스텝을 인가했을 때의 결과를 보여준다.
?
.jpg)
그림 5. MAX16126 입력에 ?7V 스텝 인가
그림 6은 음의 입력 전압을 ?15V로 올려 다시 회로의 입력에 인가했을 때의 결과이다.
?
.jpg)
그림 6. MAX16126 입력에 ?15V 스텝 인가
입력 전압이 음의 전압으로 내려갈 때 MOSFET의 게이트 핀을 프로브로 측정할 경우에는 주의가 필요하다. 그림 1을 참조하면, Q1의 보디 다이오드는 두 소스 핀을 음의 전압인 VIN 쪽으로 끌어당긴다. MAX16126의 GATE와 SRC 연결 사이에는 내부에 1MΩ 저항이 있어 접지 기준 1MΩ 오실로스코프 프로브를 MOSFET의 게이트 핀에 연결하면, 오실로스코프 프로브가 0V로 당기는 1MΩ 풀업 저항처럼 작동하게 된다.?
입력 전압이 음으로 내려가면 0V, 게이트 전압, Q2의 소스 사이에 저항 분배 회로가 형성되는데, 이는 Q1의 보디 다이오드에 의해 음의 전압으로 내려간다. 입력 전압이 Q2 턴온(turn on) 전압의 두 배보다 낮아지면, 이 MOSFET이 켜지고 출력이 음의 전압으로 변하기 시작한다. 더 높은 임피던스의 오실로스코프 프로브를 사용하면 이 문제를 해결할 수 있다.
결론?
MAX16126 평가 키트를 간단히 수정하면, 벤치에서 회로를 테스트할 때 사용자의 순간적인 부주의로 인해 유발할 수 있는 로드 덤프 이벤트로부터 신뢰할 수 있는 보호 기능을 구현할 수 있다. 평가 키트에 포함된 부품을 사용하면, 이 회로는 최대 50A의 부하 전류로 90V 정격의 저손실 보호 회로를 제공한다.?
?저자 소개?
사이먼 브램블(Simon Bramble)은 1991년 영국 브루넬 대학교에서 전기 및 전자공학 학위를 취득했으며, 아날로그 전자공학 및 전력 전자공학을 전문으로 하고 있다. 그는 아날로그 전자 분야에서 경력을 쌓아왔으며, 맥심(Maxim)과 리니어 테크놀러지(Linear Technology, 현재는 두 회사 모두 아나로그디바이스의 일부)에서 근무했다.
?
<저작권자(c)스마트앤컴퍼니. 무단전재-재배포금지>
100자평 쓰기




.jpg)











